AC-618VN/BW1 - THIẾT KẾ ĐỘT PHÁ, HIỆU SUẤT TỐI ĐA
Với bề dày kinh nghiệm và những nghiên cứu đột phá về công nghệ, INAX luôn tự hào mang đến cho người tiêu dùng những trải nghiệm vệ sinh hoàn mỹ chỉ gói gọn trong một sản phẩm AC - 618VN/BW1. Đây được coi là một chiếc bàn cầu thông minh công nghệ cao dành cho không gian sống hiện đại, tiện nghi và đẳng cấp.
Thiết bị vệ sinh - Bàn cầu một khối INAX AC-618VN/BW1
Bàn cầu thông minh INAX AC-618VN/BW1 đem lại không gian sống tiện nghi, hiện đại
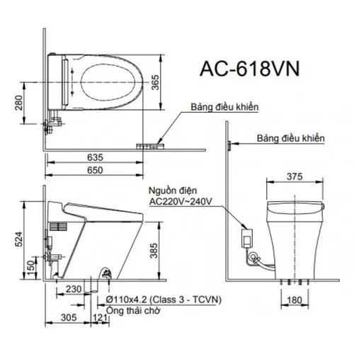
THÔNG SỐ KỸ THUẬT
- Kích thước và Tỷ lệ
Kích thước: 635x365x524 (dài x rộng x cao)
Bản vẽ kỹ thuật Bàn cầu thông minh INAX AC-618VN
Bàn cầu thông minh AC-618VN thế hệ mới của INAX như một cuộc cách mạng vệ sinh làm thay đổi thói quen của con người trong cuộc sống hiện đại. Thời đại mà bên cạnh yếu tố vệ sinh sạch sẽ thì việc đem lại sư tiện lợi và cảm giác thoải mái khi sử dụng được đặt lên hàng đầu. Những công nghệ đỉnh cao được sắp đặt một cách tinh tế trong siêu phẩm " Bàn cầu thông minh AC - 618VN" đã và đang đem đến những trải nghiệm vượt ngoài mong đợi.
Bàn cầu thông minh INAX AC-618VN/BW1 - Thiết kế chiếm trọn mọi tính năng vượt trội
Thông tin cơ bản bàn cầu thông minh INAX AC-618VN/BW1
Nước cấp: Nối trực tiếp từ đường ống nước
Áp suất nước cấp: 0,07-0,75MPA (0,7~7,5 kg/cm2)
Dòng điện: 220V, 50-60Hz, 1200W
Lượng nước xả: Đại: 6L - Tiểu: 4,5L
Trọng lượng: 32Kg ( phụ kiện: 10kg, phần sứ: 22kg)
Bộ điều khiển: Nguồn diện: 2Pin AA
TRỌN VẸN MỌI TÍNH NĂNG VƯỢT TRỘI
Thiết kế kiểu không két nước (tankless) gọn gàng với hiệu quả xả mạnh mẽ, công nghệ vệ sinh và kháng khuẩn hàng đầu tạo không gian sạch sẽ và trong lành làm hài lòng mọi yêu câu về một sản phẩm bàn cầu tích hợp cao cấp.
Hàng loạt những tính năng vượt trội được thiết kế trong bàn cầu thông minh INAX AC-618VN/BW1
Bàn cầu thông minh INAX AC-618VN - Siêu phẩm công nghệ Nhật Bản với nắp cầu cảm ứng đóng mở tự động khi có người sử dụng, không cần chạm tay. Với tính năng đặc biệt này, người dùng không còn phải lo lắng về vấn đề vệ sinh khi trực tiếp dùng tay để mở nắp bàn cầu như những sản phẩm thông thường.
Vòi rửa tự động - Vũ khí bí mật trong chiếc nắp cầu với tính năng tự làm sạch sau mỗi lần sử dụng.
Nắp và bệ ngồi đóng êm, hoàn toàn có thể tháo lắp dễ dàng chỉ bằng một vài thao tác đơn giản.
Đèn bệ ngồi sẽ sáng mờ khi có cảm ứng về sự di chuyển
Đèn hậu điều khiển từ xa phun rộng và phun massage
CÔNG NGHỆ
CÔNG NGHỆ AQUA CERAMIC
Công nghệ AQUA CERAMIC đánh bay mọi vết bẩn dễ dàng, ngăn cặn nước hình thành vết ố và giữ cho bàn cầu luôn sáng bóng
CÔNG NGHỆ SHOWER TOILET
Những lợi ích vượt trội mà Công nghệ SHOWER TOILET đem lại?
- Chức năng phun rửa tự động
- Cung cấp nước ấm cho cảm giác dễ chịu và thoải mái
- Đầu vòi phun hoạt động tịnh tiến trong khi sử dụng cho diện tích phun rửa tự rộng hơn
- Ngoài vòi phun rửa phía sau còn có vòi phun rửa phía trước đem lại cảm giác nhẹ nhàng và sạch sẽ. Cho phép luân phiên giữa phun nhẹ và phun mạnh mẽ- một hiệu ứng phun massage đem lại cảm giác dễ chịu
- Các ion Ag+ ngăn chặn sự phát triển của vi khuẩn đạt tiêu chuẩn ISO 22196 SIAA về hiệu quả kháng khuẩn (chỉ bệ ngồi) Khí ấm sấy khô nhanh, dịu nhẹ mang lại sự sạch sẽ, an toàn và tiện ích khi không cần dùng giấy vệ sinh.
- Nắp chắn dễ dàng tháo lắp và vệ sinh, mùi hôi được hút và khử thông qua màng lọc carbon để tạo nên bầu không khí trong lành cho phòng vệ sinh.
- Phun rửa dành riêng cho phụ nữ đem lại cảm giác nhẹ nhàng, êm ái.
- Đặc biệt là tính năng sưởi ấm bệ ngồi, tạo cảm giác dễ chịu khi sử dụng, ấm áp nhất là vào mùa lạnh.
Nếu bạn đang tìm mua một chiếc bàn cầu thông minh vừa đáp ứng được nhu cầu sử dụng vừa đem lại sự sang trọng cho phòng tắm thì chiếc bàn cầu AC-618VN sẽ là một lựa chọn hợp lý nhất.
Vật liệu xây dựng (VLXD) HUTRACO chuyên cung cấp các thiết bị vệ sinh INAX chính hãng với nhiều mẫu mã đa dạng. Tham khảo thêm tại đây
Hutraco nhà phân phối VLXD công trình và dân dụng
GỌI NGAY: 0938 009 005

CÔNG TY TNHH TM DV TƯ VẤN XÂY DỰNG VÀ DU LỊCH HUỲNH TRẦN (HUTRACO)
Địa chỉ: 662/45 Sư Vạn Hạnh, Phường 12, Quận 10, TP. HCM
Website: www.vlxd.info | www.denphilps.vn | www.bongdenphilips.vn | bongdenphilips.net
Email: cskh@hutraco.vn
Điện thoại: 0938 009 005








Xem thêm